будние дни с 9 до 17 часов
Каталог товаров
Главная Корзина Профиль Избранное

Шкив клиновой SPZ 2х132 (ТВ 1610)

Характеристики
  • Количество ручьев 2
  • Производитель RUSBELT
  • Диаметр, мм. 132
  • Профиль SPZ

Все характеристики

цена с НДС
1573 ₽/шт
опт 1495 ₽/шт

Минимальная партия 1 шт
оптовая цена действует при заказе от 50 000 руб. или 100 ед. одного наименования
Тип цены
 Розн. цена 1573 ₽ / шт
Скидка за заказ на сайте
15.73 ₽
Итого к оплате
1557.27 ₽
Доставка в Москва
Изменить город
Данные загружаются ...
Изменение цены
Доставка в Москва
Изменить город
Данные загружаются ...

Описание

Профиль применяемого ремня: клиновой SPZ, XPZ, Z/10, 3V/9N
Аналог:
Маркировка SKF: PHP 2SPZ132TB
Маркировка Sati: ZT00952
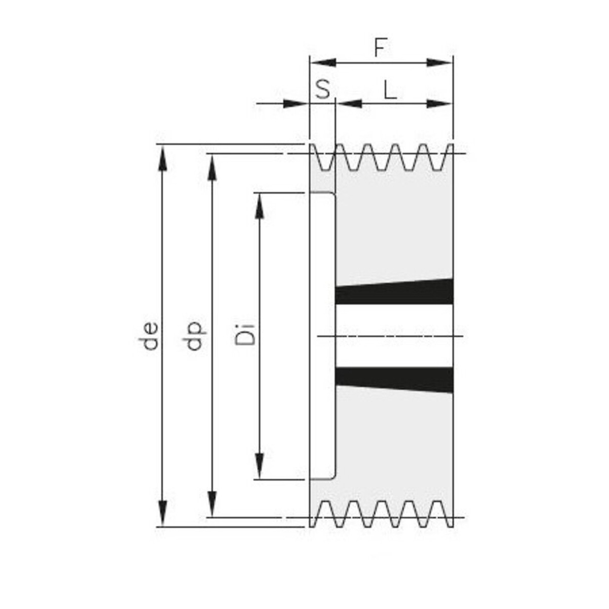
Количество канавок под ручьи ремня: 2
Диаметр шкива по корду ремня: 132 мм
Наружный диаметр: 136 мм
Максимальный диаметр втулки под вал: 42
Предусмотрено использование Втулки Taper Bush 1610 (приобретается отдельно)
Материал: чугун фосфатированный GG25
Вес 1 шт: 1,93 кг
Минимальная партия: 1 шт

Шкив клиновой SPZ 2х132 втулка ТВ 1610 предназначен для передачи крутящего момента через клиновые ремни. Для установки шкива обязательно надо приобрести втулку Taper Bush, которая подбирается под размер вала. Без втулки установка шкива невозможна. Втулка приобретается отдельно.
Шкивы широко применяются в различных механизмах и устройствах с высоким крутящим моментом и угловой скоростью. Клиновые приводы наиболее распространены в двигателях внутреннего сгорания, а также вентиляторах, кондиционерах, компрессорных установках, транспортных системах зданий, сельскохозяйственной технике, дорожно-строительной и горной технике, промышленных установках, станках, бытовой технике, ручном электроинструменте и других отраслях.
Стандарт: ISO 4183
Сертификат: Не подлежит обязательной сертификации

Произведено в

Все характеристики

Количество ручьев
2
Производитель
RUSBELT
Диаметр, мм.
132
Профиль
SPZ

Услуги

Резка конвейерных лент в размер

в том числе продольная

Оплата

1
Банковской картой на сайте
2
Оплата по счету
Счет формируется при оформлении заказа на сайте
3
Наличными
Действительно в Москве при самовывозе

Накопительные и дополнительные скидки от объема позволяют клиентам приобретать продукцию на самых выгодных условиях.

Получите доступ к личному кабинету и узнайте вашу скидку.

  • 60 пунктов выдачи в РФ и Беларуси Доставим бесплатно заказ от 70000 руб.
    в любой наш пункт выдачи.
    Посмотреть на карте

  • Бесплатная доставка при заказе от 70 тыс. руб. Заказы свыше 70000 руб. бесплатно доставляем в населенный пункт, который расположен до 70 км от МКАД.

  • Доставка транспортной компанией
    Деловые Линии, СДЭК, ПЭК, Возовоз, Байкал и др.
    До терминала в Москве доставка бесплатная.

Отзывы клиентов

Отзывов еще нет.

Вопросы покупателей

Нужна помощь?

Задайте вопрос - вам ответит наш эксперт, представитель бренда или один из покупателей